久久综合丁香激情久久
电话:0371-64234363
传真:0371-64239330
手机:13703906363 13903825045
厂址:河南省巩义市经济技术开发区纬二路5号
信箱:[email protected]
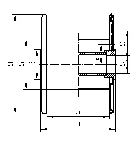
盘具PN630型

单层薄板小孔径冲压式机用线盘
一、PN630型冲压线盘 用途:
电缆、胎圈钢丝、钢丝绳、钢帘线、铜线、铝线等周转或交货用。
二、PN630型冲压线盘 特点:
采用钢板冲压焊接成形,刚度大、精度高、高速运转平稳。
标准:按客户要求或GB4004-83、JB/T8997.4-1999、DIN46397
|
规格型号 |
d1 |
d2 |
d3 |
d4 |
d5 |
e |
L1 |
L2 |
Vdm |
|
100 |
100 |
40 |
50 |
28 |
(8) |
40 |
85 |
63 |
0.12 |
|
125 |
125 |
50 |
95 |
80 |
0.83 |
||||
|
160 |
160 |
63 |
118 |
100 |
1.7 |
||||
|
200 |
200 |
80 |
60 |
36 |
60 |
150 |
125 |
3.3 |
|
|
100 |
|||||||||
|
250 |
250 |
100 |
190 |
160 |
6.6 |
||||
|
125 |
|||||||||
|
310 |
310 |
125 |
236 |
200 |
13.1 |
||||
|
160 |
|||||||||
|
355 |
355 |
140 |
90 |
56 |
(16) |
71 |
265 |
224 |
18.7 |
|
180 |
|||||||||
|
400 |
400 |
160 |
300 |
250 |
26.3 |
||||
|
200 |
|||||||||
|
450 |
450 |
180 |
335 |
280 |
37.1 |
||||
|
224 |
|||||||||
|
500 |
500 |
200 |
375 |
315 |
51.9 |
||||
|
250 |
|||||||||
|
560 |
560 |
224 |
425 |
355 |
73.1 |
||||
|
280 |
|||||||||
|
630 |
630 |
250 |
475 |
400 |
105.1 |
||||
|
315 |
|||||||||
|
710 |
710 |
355 |
160 |
80 |
(28) |
160 |
530 |
450 |
133.5 |
|
800 |
800 |
400 |
600 |
500 |
188.5 |
||||
|
900 |
900 |
450 |
670 |
560 |
367.3 |
||||
|
1000 |
1000 |
500 |
750 |
630 |
371.1 |

























